Hyundai Elantra (CN7): Sun Roof / Sunroof Motor

Repair procedures

Inspection
1.
Disconnect the negative (-) battery terminal.
2.
Remove the roof trim.
(Refer to Body - "Roof Trim")
3.
Disconnect the sunroof motor (A) connector.

4.
Ground the terminals as below table, and check that the sunroof unit operates.
   
When inspecting the sunroof motor operation, sunroof motor and roller blind motor always should be connected.

5.
Make these input tests at the connector. If any test indicates a problem, find and correct the cause, then recheck the system. If all the input tests prove OK, the sunroof motor must be faulty; replace it.
Terminal
Test
condition
Test : Desired result
3
IG2 ON
Check for voltage to ground :
There should be battery voltage.
1
Under all
conditions
Check for continuity to ground :
There should be continuity.
6
Under all
conditions
Check for voltage to ground :
There should be battery voltage.

Resetting the Sunroof
Whenever the vehicle battery is disconnected or discharged, or you use the emergency handle to operate the sunroof, you have to reset your sunroof system as follows :
1.
Turn the ignition key to the ON position and then close the sunroof completely.
2.
Release the sunroof control lever.
3.
Press and hold the CLOSE button for more than 10 seconds until the sunroof closed and it has moved slightly.
4.
Release the sunroof control lever.
5.
Press and hold the CLOSE button once again within 5 seconds until the sunroof do as follows;
Tilt → Slide Open → Slide Close
Then release the lever.
6.
Reset procedure of panorama system is finished.
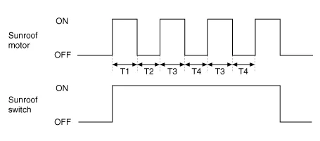
Protecting Motor From Overheating
In order to protect the sunroof motor from overheating from continuous motor operation, the sunroof ECU controls the Run-time and Cool-time of the motor as follows:
1.
The sunroof ECU detects the Run- time of motor
2.
Motor can be operated continuously for the 1st run-time (120 ± 10sec.).
3.
The continuous operation of motor stops after the 1st Run-time (120 ± 10sec.).
4.
Then Motor is not operated for the 1st Cool-time (18 ± 2sec.).
5.
Motor is operated for the 2nd Run-time (10 ± 2sec.) at the continued motor operation after 1st Cool-time (18 ± 2sec.)
6.
The continuous operation of motor stops operating after the 2nd Run-time (10 ± 2sec.)
7.
Motor is not operated for the 2nd Cool-time (18 ± 2sec.).
8.
Motor repeats the 2nd run-time and 2nd cool-time at the continued motor operation.
In case that motor is not operated continuously, the run-time is increased.
The Run-Time of motor is initialized to "0" if the battery or fuse is reconnected after being disconnected, discharged or blown.

T1 : 120 ± 10 sec., T2 : 18 ± 2 sec.,
T3 : 10 ± 2 sec., T4 : 18 ± 2 sec.

    Repair procedures Inspection1.Disconnect the negative (-) battery terminal.2.Using a remover and remove the overhead console (A).3.Check for continuity between the terminals.

    Other information:

    Hyundai Elantra (CN7) 2021-2025 Service Manual: A/C Pressure Transducer

    Description and operation DescriptionThe A/C Pressure Transducer (APT) converts the pressure value of high pressure line into voltage value after measuring it. By converted voltage value, engine ECU controls the cooling fan by operating it high speed or low speed.

    Hyundai Elantra (CN7) 2021-2025 Service Manual: Front View Camera Unit

    Schematic diagrams Circuit Diagram Repair procedures Removal1.Disconnect the negative (-) battery terminal.2.Remove the cover (A) & (B).3.Disconnect the front view camera unit connector (A).4.Separate the fixed points (A) of coupler.5.

    Categories

     
    Copyright © 2025 www.helantra7.com - 0.0125