Hyundai Elantra (CN7): Blower / Blower Resistor (Manual)

Repair procedures

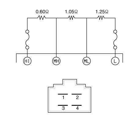
Inspection
1.
Measure the resistance between the terminals.
2.
The measured resistance is not within specification, the blower resistor must be replaced. (After removing the resistor)

Replacement
1.
Disconnect the negative (-) battery terminal.
2.
Disconnect the connector (A) and then remove the blower resistor (B) after loosening the mounting screws.

3.
To install, reverse the removal procedure.

    Description and operation DescriptionIt is installed to the DATC and adjusts the fan rpm by precisely controlling the voltage applied to the blower motor.

    Description and operation Description The climate control air filter is located in the blower unit. It eliminates foreign materials and odor. The particle filter performs a role as an odor filter as well as a conventional dust filter to ensure comfortable interior environment.

    Other information:

    Hyundai Elantra (CN7) 2021-2026 Service Manual: Start/Stop Button

    Components and components location Component Repair procedures Removal1.Disconnect the negative(-) battery terminal.2.Remove the AVN Head unit.(Refer to Body Electrical System - "AVN(Audio Video Navigation) head unit")3.Loosen the mounting screws and remove the start/stop button (A).

    Hyundai Elantra (CN7) 2021-2026 Service Manual: General safety information and caution

    General Safety Information and Caution1.Be careful when driving the vehicle using the smart cruise control system as follows.(1)On curves or inclines/declines• The smart cruise control system may have limits to detect distance to the vehicle ahead due to road and traffic conditions.

    Categories

     
    Copyright © 2026 www.helantra7.com - 0.0187