| Components |

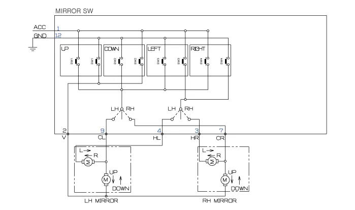
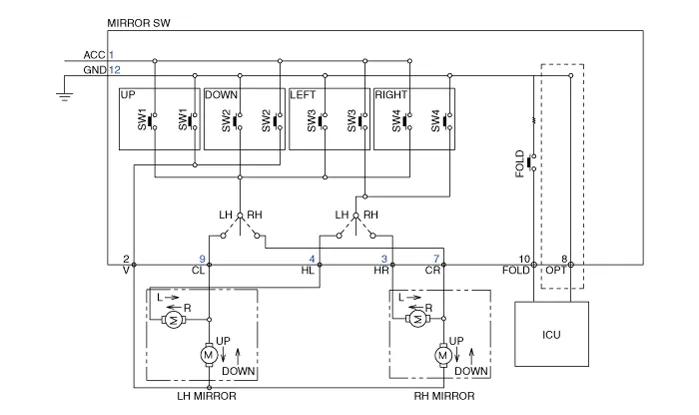
| Circuit Diagram |


| Inspection |
| 1. | Disconnect the negative (-) battery terminal. |
| 2. | Remove the driver door trim. (Refer to Body - "Front Door Trim") |
| 3. | Disconnect the power mirror switch connector from the door trim.
|
| 4. | Check for continuity between the terminals in each switch position according to the table. [Power Folding Mirror Switch]
|
| Removal |
| 1. | Disconnect the negative (-) battery terminal. |
| 2. | Remove the front door trim. (Refer to Body - "Front Door Trim") |
| 3. | Remove the power window assembly (A).
|
| Installation |
| 1. | Install the power window switch assembly. |
| 2. | Install the front door trim after connect the connector. |
| 3. | Connect the negative (-) battery terminal.
|
Component Location1. Power door mirror2. Power door mirror switch3. Power folding mirror switch
Repair procedures Removal1.Disconnect (-) battery terminal.2.Using a fastener remover (C), remove the mirror (A) as illustration below. • Protect mirror from removing tool with cloth (B) wrapped.
Repair procedures Removal1.Disconnect the negative (-) battery terminal.2.Remove the rear package tray trim.(Refer to Body - "Rear Package Tray Trim")3.Loosen the mounting screws and remove the high mounted stop lamp (A).Installation1.Install the high mounted stop lamp.
Description and operation DescriptionThe auto defogging sensor is installed on front window glass. The sensor judges and sends signal if moisture occurs to blow out wind for defogging. The air conditioner control module receives a signal from the sensor and restrains moisture and eliminates defog by the intake actuator, A/C, auto defogging actua