| Components |

Specifications[Memory Power Seat Unit ] Item Specifications Rated voltageDC 12VOperating VoltageDC 9V - 16VOperating Temperature Range-30°C to 75°C Dark currentMax.
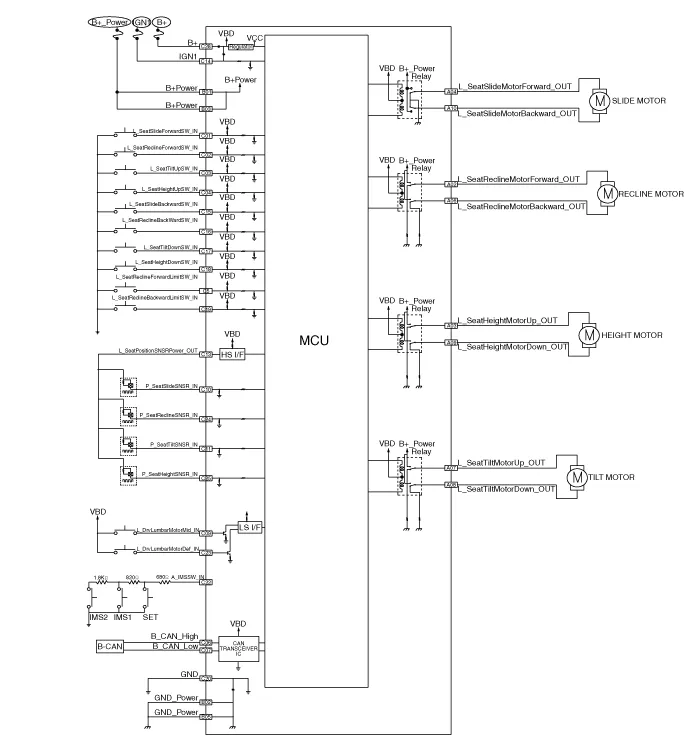
Components and components location ComponentsConnector Pin Information Pin no Connector A Connector B Connector C 1-B (+)Slide switch signal (Forward)2Reclining motor (Forward)GND(Power)Reclining switch signal (Forward)3Height motor (Up)B (+)Front tilt switch signal (Up)4Slide motor (Forward)-Height switch (Up)5-GNDReclining limit switch signal (Forward)6Reclining motor (Backward)B_CAN (High)7Tilt motor (Up)B_CAN (Low)8Tilt motor (Down)-9Height motor (Down)Driver lumber motor (Mid)10Slide motor (Backward)Seat slide sensor11Seat tilt sensor12-13Seat position sensor power14IGN 115Seat slide switch (Backward)16Seat recline switch (Backward)17Tilt switch (Down)18Height switch (Down)19Reclining limit switch signal (Backward)20GND21-22IMS Switch23Driver lumber motor (Def)24Reclining sensor25Height sensor26-27-28B(+) Schematic diagrams Circuit Diagram Repair procedures Removal1.
Repair procedures Inspection1.Connect the battery voltage and check the blower motor rotation.Replacement1.Disconnect the negative (-) battery terminal.2.Disconnect the blower motor connector (A) and then remove the blower motor (B) after loosening the screws.
TroubleshootingDiagnosis with Diagnostic tool1.In the body electrical system, failure can be quickly diagnosed by using the vehicle diagnostic system (Diagnostic tool).The diagnostic system (Diagnostic tool) provides the following information.1)Fault Code Searching : Checking failure and code number (DTC)2)Data Analysis : Checking the system input/