| Component Location |

| 1. Sunroof 2. Sunroof switch | 3. Sunroof motor & controller |
| Circuit Diagram |

| Inspection |
| 1. | Disconnect the negative (-) battery terminal. |
| 2. | Using a remover and remove the overhead console (A).
|
| 3. | Check for continuity between the terminals.
|
| Inspection |
| 1. | Disconnect the negative (-) battery terminal. |
| 2. | Remove the roof trim. (Refer to Body - "Roof Trim") |
| 3. | Disconnect the sunroof motor (A) connector.
|
| 4. | Ground the terminals as below table, and check that the sunroof unit operates.
|
| 5. | Make these input tests at the connector. If any test indicates a problem, find and correct the cause, then recheck the system. If all the input tests prove OK, the sunroof motor must be faulty; replace it.
|
| Resetting the Sunroof |
| 1. | Turn the ignition key to the ON position and then close the sunroof completely. |
| 2. | Release the sunroof control lever. |
| 3. | Press and hold the CLOSE button for more than 10 seconds until the sunroof closed and it has moved slightly. |
| 4. | Release the sunroof control lever. |
| 5. | Press and hold the CLOSE button once again within 5 seconds until the sunroof do as follows;
|
| 6. | Reset procedure of panorama system is finished. |
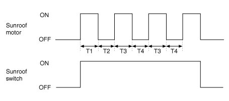
| 1. | The sunroof ECU detects the Run- time of motor |
| 2. | Motor can be operated continuously for the 1st run-time (120 ± 10sec.). |
| 3. | The continuous operation of motor stops after the 1st Run-time (120 ± 10sec.). |
| 4. | Then Motor is not operated for the 1st Cool-time (18 ± 2sec.). |
| 5. | Motor is operated for the 2nd Run-time (10 ± 2sec.) at the continued motor operation after 1st Cool-time (18 ± 2sec.) |
| 6. | The continuous operation of motor stops operating after the 2nd Run-time (10 ± 2sec.) |
| 7. | Motor is not operated for the 2nd Cool-time (18 ± 2sec.). |
| 8. | Motor repeats the 2nd run-time and 2nd cool-time at the continued motor operation.
T1 : 120 ± 10 sec., T2 : 18 ± 2 sec., T3 : 10 ± 2 sec., T4 : 18 ± 2 sec. |
Description and operation DescriptionThe ECM (Electro Chromatic inside rear view Mirror) is intended dim the reflecting light in the rear view mirror.
Refrigerant System Service Basics (R-134a)Refrigerant Recovery Use only service equipment that is U.L-listed and is certified to meet the requirements of SAE J2210 to remove HFC-134a(R-134a) from the air conditioning system. • Air conditioning refrigerant or lubricant vapor can irritate your eyes, nose, or
Description and operation DescriptionThe mode control actuator is located at the heater unit.It adjusts the position of the mode door by operating the mode control actuator based on the signal of the A/C control unit. Pressing the mode select switch makes the mode control actuator shift in order of Vent → Bi-Level → Floor → Mix.