| Description |
| Components Location |

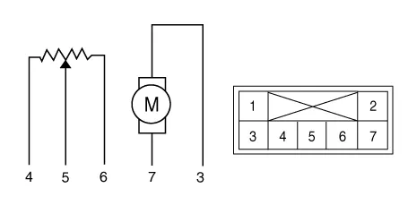
| 1. Intake actuator |
| Specifications |
|
Door position
|
Voltage (V)
|
Error detecting
|
| Max. cooling | 0.3 ± 0.15 | Low voltage : 0.1V or less |
| Max. heating | 4.7 ± 0.15 | High voltage : 4.9V or more |
| Inspection |
| 1. | Verify that the intake actuator operates to the fresh position when connecting 12V to terminal 3 and grounding terminal 7. |
| 2. | Verify that the intake actuator operates to the recirculation position when connected in reverse.
|
| 3. | Connect the intake actuator connector. |
| 4. | Turn the ignition switch ON. |
| 5. | Check the voltage between terminal 6 and 5. |
| 6. | If the measured voltage is not within specification, check the operation by replacing the existing intake actuator with a new genuine part. After that, determine whether replacement of the temperature control actuator is required or not. |
| Replacement |
| 1. | Disconnect the negative (-) battery terminal. |
| 2. | Remove the Heater & Blower unit assebmly. (Refer to Heater - "Heater Unit") |
| 3. | Disconnect the connector (A) and then remove the intake actuator (B) after loosening the mounting screws.
|
| 4. | To install, reverse the removal procedure. |
Description and operation Description The climate control air filter is located in the blower unit. It eliminates foreign materials and odor. The particle filter performs a role as an odor filter as well as a conventional dust filter to ensure comfortable interior environment.
Description and operation Description 1.The photo sensor is located at the center of the defrost nozzles.2.The photo sensor contains a photovoltaic (sensitive to sunlight) diode. The solar radiation received by its light receiving portion, generates an electromotive force in proportion to the amount of radiation received which is transferred to
Description and operation DescriptionThe mode control actuator is located at the heater unit.It adjusts the position of the mode door by operating the mode control actuator based on the signal of the A/C control unit. Pressing the mode select switch makes the mode control actuator shift in order of Vent → Bi-Level → Floor → Mix.