Hyundai Elantra (CN7): Windshield Wiper/Washer / Rain Sensor
Description and operation
Integrated Rain Sensor
Integrated rain sensor (A) controls three systems: front wiper, auto-light, and central air conditioner.
| 1. | Wiper Control System When "AUTO" switch signal is received from the multi-function switch on the right, the integrated rain sensor detects the amount of rainfall. The sensor is installed inside the upper part of the front window for wiper motor control. This system automatically controls the operation duration and speed of the wiper depending on the measured amount of rainfall even if the driver does not operate the wiper switch. 
|
| Functions and Operating Principles |
Basic Principle
| 1. | Detecting the amount of rainfall The light (beam) emitted from light emitting diodes (LED) is totally reflected on the external surface of the windshield and comes back to the photo diodes. When there is water on the external surface of the windshield, the light is optically separated and reflected partially and the remaining brightness is measured by the photo diodes. Water remaining on the windshield results in the light being not totally reflected. The loss of brightness due to this indicates how much the glass surface is wet. |
Interference
Rain sensor might malfunction due to the interferences listed below.
| 1. | Dust on the measuring surface and other surfaces on the light path (surface of light emitting diodes and photo diodes, fiber optics, bracket, and glass surface of windshield joint area) weakens the received light. |
| 2. | Movement of windshield and bracket |
| 3. | Movement of bracket due to vibration |
| •
| When the integrated rain sensor does not operate or malfunctions, the driver should operate the wiper switch manually. |
|
Automatic Operation
| 1. | Operational status of rain sensor
Operation Mode
| Operation
| Direct Mode
| It is the normal operational status of the integrated rain sensor when the wiper switch is in "Auto" and the sensor detected dry windshield. Based on this state, integrated rain sensor determines the operation mode of wiper depending on the rainfall and its duration.
| Intermittent Mode
| Integrated rain sensor activates the intermittent mode when wiper operation is done successively more than twice with a pause of 0.5 - 5 seconds.
| Low Speed
| The wiper operates continuously in low speed
| High Speed
| The wiper operates continuously in high speed
|
|
Safety Function
| 1. | When there is ice or foreign matter in the detecting area, integrated rain sensor cannot recognize the condition for operation correctly. |
Detecting Special Conditions
| 1. | Rain sensor
Special Condition
| Operation based on special conditions detecting
| Splash
| When integrated rain sensor detects a high level of water (splash) in Direct or Intermittent mode, the system switches from Park to High speed. Then, wiping is done once in High speed and once more in Low speed. If the condition of rainfall does not change after wiping, it returns to the original condition (Direct or Intermittent).
| Smearing
| Smearing is a thin oil film that has dried fast and occurs when a small amount of rainfall is wiped by a dirty or worn-out wiper blade. Operational signal should not be issued when smearing occurs in Direct or Intermittent mode.
| Dirt
| When no change is detected after wiping, integrated rain sensor determines that the windshield is dirty. In this state, operational signal should not be issued. If the windshield becomes clean (for example, by washer fluid), the integrated rain sensor returns to the normal condition.
| Washer fluid
| Integrated rain sensor does not respond to the washer fluid during the Washer mode. In other words, wiping speed does not change even if the washer fluid is sprayed (automatic operation of the washer pump is not reflected in the functioning of integrated rain sensor).
|
|
Components and components location
| Components and Components Location |

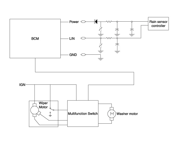
Schematic diagrams

Repair procedures
| •
| It may be damaged when you try to remove the rain sensor from the windshield forcibly. Use caution when sepearting it from the windshield. |
| •
| When detaching the silicone under a high temperature, it may be easily damaged because of the adhesive strength of the silicone. Remove the silicone in a cool enviroment. |
|
| 1. | Remove the inside rear view mirror cover (A). 
|
| 2. | Using a remover and remove the rain sensor cover (A). 
|
| 3. | Be careful not to damage the cover latch by applying excessive force. To remove the latch, pull aside the latch using the cover hole with a small flat - blade screwdriver (A). 
|
| 4. | Remove the rain sensor. | (1) | Insert a small flat-blade screwdriver (-) into a space at the bottom (B) or top (A), between the rain sensor and bracket. . |
| (2) | Pull the rain sensor slowly up and down in the vertical direction of the glass, then disassemble the rain sensor slowly from windshield without damaging the silicone on the sensor. 

|
|
| •
| Check the operation of the rain sensor and the light sensor before mounting. |
| –
| Check the sensor for silicon damage. |
| –
| Check whether the rain sensor connector is tightened. |
| –
| Check whether the rain sensor and bracket are properly tightened. |
| –
| Check whether the sensor mounted area is free from foreign matters. |
| –
| Recalibrate sensitivity of the swtich if the auto-wiping operation is insensitivity or too much sensitive. 
|
| •
| In case the silicone of the rain sensor is normal or slightly damaged as shown in the below images, it can be reused.
Normal
| Damage within 1.5 mm of outer part
| 
| 
|
|
| •
| In case the silicone of the rain sensor is damaged as shown in the below images, it should be replaced with a new silicone.
Foreign substances
| Fingerprint
| Damege
| 
| 
| 
|
|
| •
| In case the silicone of the rain sensor is damaged it should be replaced it as shown below. 1) Remove the damaged silicone gel pad from the lens plate completely. 
| •
| Be careful not to damage or contaminate the surface of the lens plate during removal. |
|
2) Attach the new silicone gel pad aftet removing the silicone paper (A) then remove the transperent film (B). 
| •
| When attaching the silicone gel pad to the sensor, be careful not to contaminate |
|
|
| •
| It is very important that the silicon (coupling pad) is completely pushed against the windshield and stuck without any air bubble. 
|
| •
| In case of replacing the damaged windshield, you may reuse the undamaged exisitng rain sensor. |
| •
| The windshield glass has to be clean and free of contamination or foreign substances. |
|
| 1. | Connect the rain sensor connector. |
| 2. | Push one of the latch of spring arm (A) down until it snaps and you hear a click sound. And then push the latch of second spring arm (B) for keeping the sensor in right position. 
| •
| Do not snap both spring arms at the same time. |
| •
| An incorrectly mounted snap connection may cause malfunctions of the rain/light sensor. |
|
|
Repair procedures
InspectionFront Washer Motor1.With the washer motor connected to the reservoir tank, fill the reservoir tank with water.
•
Before filling the reservoir tank with water, check the filter for foreign material or contamination.
Description and operation
DescriptionThe ECM (Electro Chromatic inside rear view Mirror) is intended dim the reflecting light in the rear view mirror.
Other information:
Repair procedures
Replacement1.Disconnect the negative (-) battery terminal. 2.Remove the heater and blower assembly.(Refer to Heater - "Heater Unit") 3.Remove the heater core cover (A) after loosening the mounting screws.4.Pull out the heater core (A) from the heater unit.
Components and components location
Components and Components Location
Schematic diagrams
Schematic DiagramsParking Collision-Avoidance Assist (PCA) Ultrasonic sensorParking Collision-Avoidance Assist (PCA) Rear view camera
Repair procedures
RemovalParking Collision-Avoidance Assist (PCA) Unit1.