Hyundai Elantra (CN7): Smart Key System / Smart Key Unit

Components and components location

Components (1)

Connector Pin InformDation
Pin no
Connector A
Connector B
Connector C
Connector D
Connector E
1
ESCL (+)_output
-
-
-
-
2
Front heated nozzle_output
-
-
-
-
3
-
Puddle pocket lamp_output
-
Mirror folding_output
-
4
Front washer switch _Input
-
-
-

5
-
LIN(PDW)
-
-
ESCL enable_output
6
Ground_Power
R-PDW power_input
-
-
RPM_input
7
Ground_ECU
R-PDW power_output
-
-
Start relay_output
8
ESCL (-)_output
F-PDW power_output
-
-
ACC relay_output
9
Battery (+) ECU
ATM solenoid_output
-
Auto light sensor ground_output
Start feedback_input
10
Battery (+) Power
Head lamp high beam switch_input
-
Rear view camera switch_input
SSB switch2_input
11
IGN_Input
Front washer switch _Input
-
R-PDW switch_input
Trunk antenna (-)_output
12
Kiline_IMMO
Front wiper INT volume switch_input
-
P-Position_input
Interior2 antenna power(-)_output
13
-
Wiper parking switch_input
-
Passenger outside handle switch_input
-
14
-
External buzzer_output
-
Multifunction Switch ground _Input
Passenger outside handle antenna (-)_output
15
-
R-PDW switch IND_output
-
ACC_input
-
16
-
-
-
IGN2_input
-
17

-
-
Front wiper low back up switch_input
-
18

-
-
Brake switch_input
Driver outside handle antenna (-)_output
19

-
-
-
Immobilizer antenna ground_output
20

-
-
-
-
21

-
-
-
-
22

LIN 3(Rain sensor)
-
PDW option_input
-
23

Wiper power relay_output

Mirror unfolding_output
-
24

-

-
-
25

Wiper low relay_output

-
-
26

Wiper high relay_output

-
Wheel speed sensor_input
27

-

-
IGN2 relay_output
28

Fog lamp switch_input

-
IGN1 relay_output
29

Light switch_input

Auto light sensor power_output
SSB symbol illumination(+)_output
30

-

Auto light sensor signal_input
SSB switch1_input
31

-

Sunroof status_input
Trunk antenna (+)_output
32

-

ESCL unlock switch_input
Interior2 antenna power(+)_output
33

ESCL_COM

Clutch lock switch_input (MT)
-
34

EMS ECU wake up_output/Dood unlock signal_output

Driver outside handle switch_input

Passenger outside handle antenna (+)_output
35

-

B-CAN High
-
36

-

B-CAN Low
-
37



P-CAN High
-
38


P-CAN Low
Driver outside handle antenna (+)_output
39


-
Immobilizer antenna power_output
40


-
-

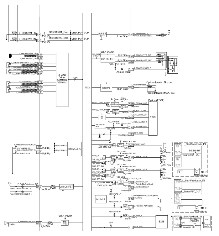
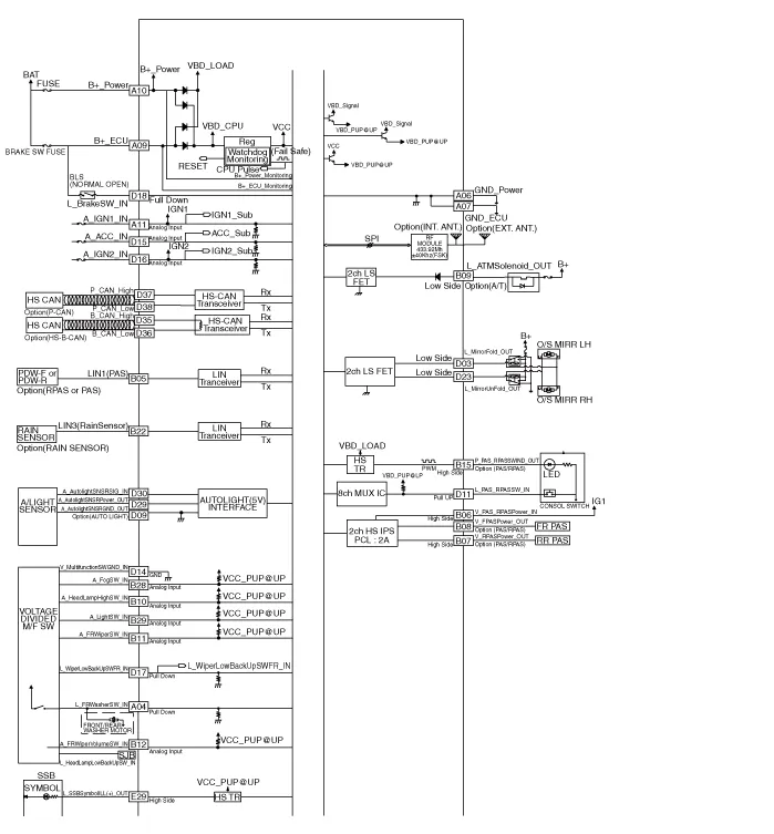
Schematic diagrams

Circuit Diagram

Repair procedures

Removal
Smart Key Unit (IBU)
1.
Disconnect the negative (-) battery terminal.
2.
Remove the glove box housing cover..
(Refer to Body - "Glove Box Housing Cover.")
3.
Remove the smart key unit(IBU) (A) after loosening bolt and nuts.

4.
Disconnect smart key unit (IBU) connectors.

Inspection
Smart Key Unit
(Refer to Smart Key System - "Smart Key Diagnostic")
Installation
Smart Key Unit
1.
Install the smart key unit.
2.
Install the smart key unit mounting bolts and connect the connector.
3.
Install the Glove box housing cover..
4.
Install the negative (-) battery terminal and check the smart key system.

    Repair procedures Smart KeySmart Key Code Saving1.Connect the DLC cable of Diagnostic tool to the data link connector (16 pins) in driver side crash pad lower panel, turn the power on Diagnostic tool.

    Repair procedures InspectionSelf Diagnosis With Scan ToolIt will be able to diagnose defects of SMART KEY system with Diagnostic tool quickly. Diagnostic tool can operates actuator forcefully, input/output value monitoring and self diagnosis.

    Other information:

    Hyundai Elantra (CN7) 2021-2026 Service Manual: Auto Lighting Control System

    Description and operation DescriptionIt's a system that uses illumination sensor to automatically turn ON the tail lamp and head lamp based on the change in surrounding environment's illumination condition. It activates when the vehicle enters/exits tunnel, or when the illumination condition in surrounding environment changes due to rain, snow, or

    Hyundai Elantra (CN7) 2021-2026 Service Manual: Specifications

    SpecificationAir Conditioner Item Specification CompressorTypeGamma 1.6 MPI, Gasoline 2.0 NU MPI, Gasoline 1.6 T-GDI : 6HVx14Gasoline 1.6 MPI : 6HVe14Oil type & CapacityFD46XG (IDEMITSU) 100 ± 10 g Pulley type6PK-TYPEDisplacement145 cc/revExpansion valveTypeBlock type RefrigerantTypeR - 134

    Categories

     
    Copyright © 2026 www.helantra7.com - 0.0232