| Components |

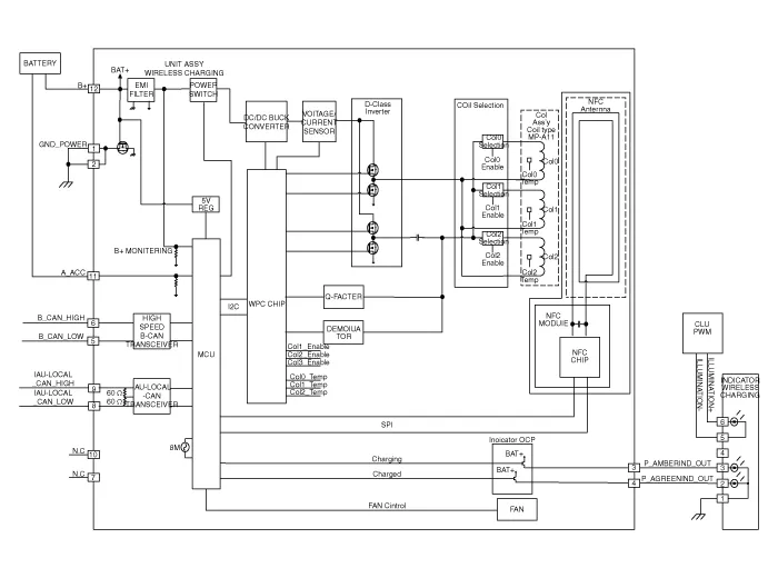
| Circuit Diagram |

| Removal |
|
| 1. | Disconnect the negative (-) battery terminal. |
| 2. | Remove the floor console upper cover assembly. (Refer to Body - "Floor Console Upper Cover") |
| 3. | Disconnect the connector (A) and remove the wireless power charger unit.
|
| Installation |
| 1. | Install the wireless power charging unit. |
| 2. | Connect the wireless power charging unit connectors. |
| 3. | Install the floor console upper cover. |
| 4. | Connect the negative (-) battery terminal. |
| [Diagnosis With Diagnostic tool] |
| 1. | In the body electrical system, failure can be quickly diagnosed by using the vehicle diagnostic system (Diagnostic tool). The diagnostic system(Diagnostic tool) provides the following information.
|
| 2. | If diagnose the vehicle by Diagnostic tool, select "DTC Analysis" and "Vehicle".
|
| 3. | If check current status, select the "Data Analysis" .
|
| 4. | Select the 'WPC' to search the current state of the input/output data.
|
Specifications Item Specification Rated voltageDC 12VOperating voltageDC 9.0 - 16.0VOperating temperature-86 to 167°F (-30 to 75°C)Dark currentMAX 1mAOutput power5 WOutput frequency110 ± 5 kHz
Components and positions Components Repair procedures Removal • Handling wireless charging system parts by wet hands may cause electric shock.
Description and operation Description 1.The photo sensor is located at the center of the defrost nozzles.2.The photo sensor contains a photovoltaic (sensitive to sunlight) diode. The solar radiation received by its light receiving portion, generates an electromotive force in proportion to the amount of radiation received which is transferred to
DescriptionADAS_PRK is a unit that controls the functions required for ADAS parking. If the ADAS_PRK is applied, the parking distance warning function is also controlled by the ADAS_PRK.System FunctionParking Collision-Avoidance Assist (PCA)PCA is a parking safety system that assists in collision warning and emergency braking in the event of a coll