Hyundai Elantra (CN7): Indicators And Gauges / Instrument Cluster

Description and operation

Description
Abbreviation
Expalnation
ACU
Airbag Control Unit
ADM
Assist Door Module
B_CAN
Body Controller Area Network
BCM
Body Control Module
BCW
Blind-Spot Collision Warning
C_CAN
Chassis Controller Area Network
CLU
Cluster Module
DATC
Dual Automatic Temp Control
DDM
Driver Door Module
ESC
Electronic Stability Program
EMS
Engine Management System
LKAS
Lane Keeping Assist System
M_CAN
Multi media Controller Area Network
MDPS
Motor Driven Power Steering
P_CAN
Powertrain Controller Area Network
PSM
Power Seat Module
SAS
Steering Angle Sensor
SJB
Smart Junction Block
SMK
Smart Key Unit
PDW
Parking Distance Warning
TCU
Transmission Control Unit
TPMS
Tire Pressure Monitoring System
VDC
Vehicle Dynamic Control
TMU
Telematics System
ABS
Anti-lock Brake System

Cluster Variant Coding
As we have more options (ESC, MDPS, SCC, etc.) in the car, the dashboard now have more information to display depending on the chosen options.
For this reason, we need to learn which options the current vehicle when we replace the dashboard.
To address this issue, a course of learning based on the option required for the vehicle when replacing the dashboard should be carried out.
This is called Variant Coding.
Function
1.
High speed CAN communication (C-CAN)
–
Custom Function : Boarding interlocking sheets, Welcome Light
–
LDWS : Lane Departure Warning System
–
SPAS: Smart Parking Assist System
2.
Low speed CAN communication (MM-CAN)
–
AV : Audio / Video Multimedia information Display
–
TBT : Turn By Turn Navigation Information Display
3.
Sound output
Instrument cluster and the external speakers connected to the output of the various beeps and sound effects.
If External AMP is applied, the directional alarm is outputted through the amp.
[Standard Type]

4.
User Setting Mode (USM)
Setting can be changed by using switchs (Menu, UP, Down and OK button). There are many items (for example, In/Out Seat Synchronization, In/Out Steering Wheel Synchronization, Auto Door Lock, Auto Door Lock Deactivate, Head Lamp Escort, Welcome Light, Welcome Sound, One Touch Turn Signal, Average Fuel Consumption Auto Reset, Brightness, and Content Setup) that can be set and customized. The signal flow during setting is as follows.
(1)
UMS settings are set, they are transmitted to BCM.
(2)
BCM transmits the settings via B_CAN to the relevant modules.
(3)
The module completes setting and transmits the modified setting to BCM.
(4)
BCM transmits the final settings via C_CAN to the cluster.
   
•
The cluster communicates directly with C-CAN units.

Components and components location

Components
4.2" TFT LCD

10.25" TFT LCD

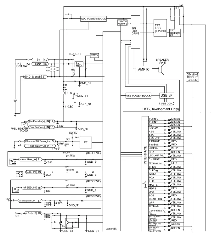
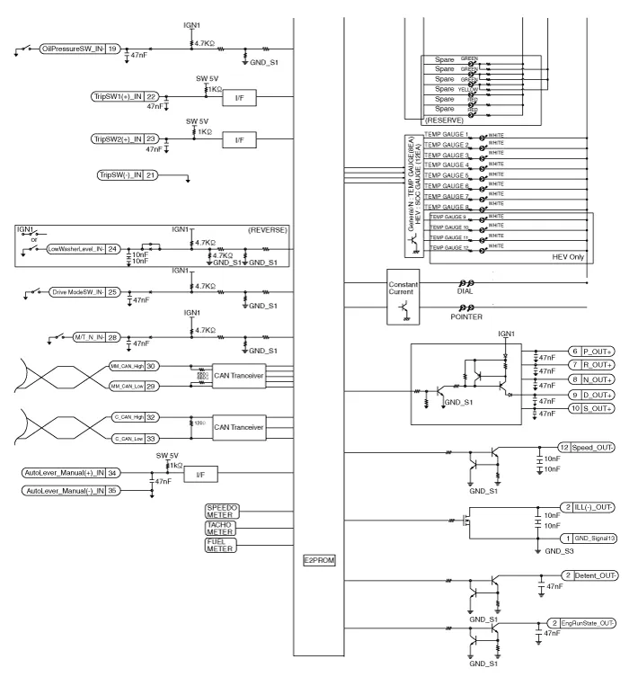
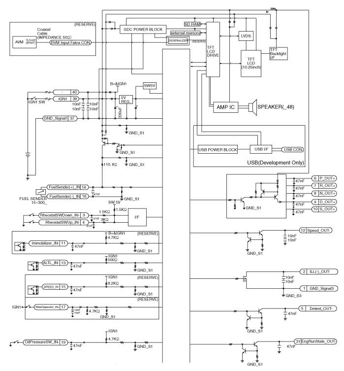
Connector Pin Information

No
Description
No
Description
1
GND
21
Trip switch (-)_Input
2
Illumination (-)
22
Trip switch 1 (+)_Input
3
Rheostat switch (Down)_Input
23
Trip switch 2 (+)_Input
4
Rheostat switch (Up)_Input
24
Low washer level_input
5
Dentent
25
Driver mode switch_Input (AT only)
6
AT ('P' Position)
26
-
7
AT ('R' Position)
27
-
8
AT ('N' Position)
28
MT ('N' Position)
9
AT ('D' Position)
29
Multimedia-CAN (Low)
10
AT ('S' Position)
30
Multimedia-CAN (High)
11
Immobilizer_Input
31
Engine run state_output
12
Vehicle speed_Input
32
Chassis-CAN (High)
13
Alternator_Input
33
Chassis-CAN (Low)
14
Fuel sender (+)_Input
34
Auto lever manual (+)_input
15
Vehicle speed_Output
35
Auto lever manual (-)_input
16
Fuel sender (-)_Input
36
-
17
Water Separator_Input
37
GND
18
-
38
-
19
Oil press switch_Input
39
IGN 1
20
-
40
Battery (+)

Schematic diagrams

Circuit Diagram
4.25 TFT LCD

10.25 TFF LCD

Repair procedures

Removal
   
•
Put on gloves to protect your hands.
•
When prying with a flat-tip screwdriver, wrap it with protective tape, and apply protective tape around the related parts, to prevent damage.
10.25 TFF LCD [RHD]
   
•
Put on gloves to protect your hands.
•
When prying with a flat-tip screwdriver, wrap it with protective tape, and apply protective tape around the related parts, to prevent damage.
1.
Disconnect the negative (-) battery terminal.
2.
Using a flat-tip screwdriver or remover, remove the photo sensor cover (A).

3.
Disconnect photo sensor connector and security sensor connector (A).

4.
Using a flat-tip screwdriver or remover, remove the steering column shroud upper panel (A).

5.
Using a flat-tip screwdriver or remover, remove the cluster fascia upper garnish (A).

6.
Remove the cluster fascia side panel after mounting screws.
(Refer to Body - "Cluster Fascia Side Panel")
7.
Remove the instrument cluster (A) after loosening the mounting screws.

8.
Remove the instrument cluster after disconnect cluster connectors.

4.2 TFF LCD [RHD]
   
•
Put on gloves to protect your hands.
•
When prying with a flat-tip screwdriver, wrap it with protective tape, and apply protective tape around the related parts, to prevent damage.
1.
Disconnect the negative (-) battery terminal.
2.
Using a flat-tip screwdriver or remover, remove the photo sensor cover (A).

3.
Disconnect photo sensor connector and security sensor connector (A).

4.
Using a flat-tip screwdriver or remover, remove the steering column shroud upper panel (A).

5.
Using a flat-tip screwdriver or remover, remove the cluster fascia upper garnish (A).

6.
Remove the cluster fascia side panel (A) after mounting screws.

7.
Remove the cluster fascia panel (A) after loosening mounting screws.

8.
Remove the instrument cluster (A) after loosening mounting screws.

9.
Remove the instrument cluster after disconnect cluster connectors.

10.25 TFF LCD [LHD]
   
•
Put on gloves to protect your hands.
•
When prying with a flat-tip screwdriver, wrap it with protective tape, and apply protective tape around the related parts, to prevent damage.
1.
Disconnect the negative (-) battery terminal.
2.
Using a flat-tip screwdriver or remover, remove the photo sensor cover (A).

3.
Disconnect photo sensor connector and security sensor connector (A).

4.
Using a flat-tip screwdriver or remover, remove the steering column shroud upper panel (A).

5.
Using a flat-tip screwdriver or remover, remove the cluster fascia upper garnish (A).

6.
Remove the cluster fascia side panel after mounting screws.
(Refer to Body - "Cluster Fascia Side Panel")
7.
Remove the instrument cluster (A) after loosening the mounting screws.

8.
Remove the instrument cluster after disconnect cluster connectors.

4.2 TFF LCD [LHD]
   
•
Put on gloves to protect your hands.
•
When prying with a flat-tip screwdriver, wrap it with protective tape, and apply protective tape around the related parts, to prevent damage.
1.
Disconnect the negative (-) battery terminal.
2.
Using a flat-tip screwdriver or remover, remove the photo sensor cover (A).

3.
Disconnect photo sensor connector and security sensor connector (A).

4.
Using a flat-tip screwdriver or remover, remove the steering column shroud upper panel (A).

5.
Using a flat-tip screwdriver or remover, remove the cluster fascia upper garnish (A).

6.
Remove the cluster fascia side panel (A) after mounting screws.

7.
Remove the cluster fascia panel (A) after loosening mounting screws.

8.
Remove the instrument cluster (A) after loosening mounting screws.

9.
Remove the instrument cluster after disconnect cluster connectors.

Installation
10.25 TFT LCD
1.
Install the cluster after connecting the cluster connector.
2.
Install the cluster fascia upper garnish.
3.
Install the steering column shroud upper panel.
4.
Install the photo sensor cover.
5.
Connect the negative (-) battery terminal.
   
•
Perform variant coding after exchanging the instrument cluster.
10.25 TFT LCD
1.
Install the cluster after connecting the cluster connector.
2.
Install the cluster fascia panel.
3.
Install the cluster fascia upper garnish.
4.
Install the steering column shroud upper panel.
5.
Install the photo sensor cover.
6.
Connect the negative (-) battery terminal.
   
•
Perform variant coding after exchanging the instrument cluster.
Inspection
1.
Check point (Warning indicator)
   
•
Fault conditions and normal operating conditions, refer to the owner's manual.
No
Ref Symbol
Name
Color
Signal input
Signal Control
Check point
1

Turnsignal (Left)
Green
CAN
BCM
(Gateway)
1)
Multifunction Switch
2)
BCM
3)
CAN Failure
2

Turnsignal (Right)
Green
CAN
BCM
(Gateway)
1)
Multifunction Switch
2)
BCM
3)
CAN Failure
3

Tail Lamp
Green
CAN
BCM
(Gateway)
1)
Multifunction Switch
2)
BCM
3)
CAN Failure
4

Fog Lamp
Green
CAN
BCM
(Gateway)
1)
Multifunction Switch
2)
BCM
3)
CAN Failure
5

Rear Fog Lamp
Yellow
CAN
IGPM
(Gateway)
1)
Multifunction Switch
2)
IBU
3)
IGPM
4)
CAN Failure
6

High Beam
Blue
CAN
BCM
(Gateway)
1)
Multifunction Switch
2)
BCM
3)
CAN Failure
7

Warning
Yellow
CAN
BSD
1)
BSD System
2)
CAN Failure
TPMS
1)
TPMS System
2)
CAN Failure
SCC
1)
SCC System
2)
CAN Failure
LDWS
1)
LDWS System
2)
CAN Failure
FCW
1)
FCW System
2)
CAN Failure
HBA
1)
HBA System
2)
CAN Failure
BCM
1)
Exterior Lamp
2)
BCM
3)
CAN Failure
Hard-wired
Low Washer
1)
Whasher fluid lever sensor
2)
Wiring Failure
Digital Input
Reminders when service checks
8

Battery Charge
Red
Hard-wired
Alternator
1)
Alternator
2)
Wiring Failure
3)
Battery
9

Oil Pressure
Red
Hard-wired
ECM
1)
Oil Pressure Sensor
2)
Wiring Failure
3)
ECM
4)
CAN Failure
10

Check Engine
Yellow
CAN
ECM
1)
ECM
2)
CAN Failure
11

Immobilizer
Yellow
CAN
+
Hard-wired
IMMOBILIZER
SMK
1)
Immobilzer System
2)
SMK
3)
BCM
4)
CAN Failure
5)
Hard-wired
12

Parking Brake
Brake Fluid
EBD
EPB
EVP
Red
CAN
BCM
(Gateway)
EBD
EPB
EVP
ABS
TCS
1)
BCM
2)
ABS System
3)
EPB System
4)
CAN Failure
5)
Parking Brake Switch
6)
Brake Oil Lever Sensor
13

ABS
Yellow
CAN
ABS
1)
ABS System
2)
CAN Failure
14

ESC
Yellow
CAN
TCS
1)
ABS System
2)
CAN Failure
15

ESC Off
Yellow
CAN
TCS
1)
ABS System
2)
CAN Failure
16

EPB
Yellow
CAN
EPB
1)
EPB System
2)
CAN Failure
17

Auto Hold
White
Yellow
Green
CAN
TCS
1)
TCS System
2)
CAN Failure
18

Seat Belt
Red
CAN
BCM
(Gateway)
1)
BCM
2)
CAN Failure
19

Airbag
Red
CAN
SRSCM
1)
SRSCM System
2)
CAN Failure
20

EPS
(MDPS)
Red
CAN
MDPS
1)
MDPS Unit System
2)
MDPS Motor
3)
CAN Failure
21

TPMS
Yellow
CAN
TPMS
1)
TPMS System
2)
TPMS Sensor
3)
CAN Failure
22

Fuel Warning
Yellow
Direct
(Micom)
Fuel Sender
1)
Fuel Sendar Failure
2)
Wiring Failure
23

Door Open
Red
CAN
BCM
(Gateway)
1)
BCM
2)
CAN Failure
3)
Door Sensor/switch
24

FCA
Yellow
CAN
AEB
1)
SCC System
2)
CAN failure
25

Diesel Particulate Filter (GPF)
Yellow
CAN
ECM
1)
GPF System
2)
CAN Failure
26

Over Speed Wanring
Yellow
CAN
ABS
TCS
(Speed)
1)
ABS System
2)
TCS System
3)
CAN Failure

2.
Check point (Gauge)
No
Name
Signal Input
Signal Control
(Unit/Sensor)
Check Point
1
Speedometer
C-CAN
ABS/ESC
1) CAN Line failure
3
Tachometer
C-CAN
EMS
1) CAN Line failure
4
Cooling water temperature
C-CAN
EMS
1) CAN Line failure
5
Fuel
Hardwire
Fuel Sander
1) Fuel sender failure
2) Wiring failure
6
Shift lever indicator
C-CAN
TCU
1) CAN Line failure

Diagnosis with Diagnostic tool
1.
In the body electrical system, failure can be quickly diagnosed by using the vehicle diagnostic system (Diagnostic tool).
The diagnostic system (Diagnostic tool) provides the following information.
(1)
Fault Code Searching : Checking failure and code number (DTC)
(2)
Data Analysis : Checking the system input/output data state
(3)
Actuation test : Checking the system operation condition
(4)
S/W Management : Controlling other features including system option setting and zero point adjustment
2.
If diagnose the vehicle by Diagnostic tool, select "DTC Analysis" and "Vehicle".

3.
If check current status, select the "Data Analysis" and "Car model".

4.
Select the 'CLU' to search the current state of the input/output data.

CLU Variant Coding
As we have more options (ESC, TPMS, SCC, etc.) in the car, the dashboard now have more information to display depending on the chosen options.
For this reason, we need to learn which options the current vehicle when we replace the dashboard.
To address this issue, a course of learning based on the option required for the vehicle when replacing the dashboard should be carried out.
This is called Variant Coding.
1.
Connect the cable of Diagnostic tool to the data link connector in driver side crash pad lower panel.
2.
Select the 'S/W Management' and 'Car model'.

3.
Select the 'Cluster Module' and 'CLU Variant Coding'.

    Troubleshooting Error Item Failure symptom Inspection items Detailed inspections Relevant Parts/ Components Screen displayTFT-LCD screen does not turn on1)Connector attachments2)Components1)Check the connector attachments2)Check B+, IGN and GND wiring3)Check the components Connectors, wiring, fuses, dashboardWarning lightAirbag warning lamp malfunction1)Connector attachments2)C-CAN3)Components1)Check airbag + signal (connectors)2)Check C-CAN (ACU4) signal3)Check the FPC attachment inside the dashboardACU Connectors, wiring, fuses, dashboardMode conversionIntegrated driving mode malfunction1)Connector attachments2)Switch3)Components1)Check the switch input (connector)2)Check the switch signal input(disconnection or shorting)3)Check conversion with dashboard componentSwitch connector, wiring dashboardIlluminationInterior light brightness cannot be controlled.

    Components and components location Component Location1. DDM (Driver Door Module)2. ADM (Assist Door Module)3. Integrated Central Control Unit (ICU)4. Door lock knob5.

    Other information:

    Hyundai Elantra (CN7) 2021-2026 Service Manual: Evaporator Temperature Sensor

    Description and operation DescriptionThe evaporator temperature sensor will detect the evaporator core temperature and interrupt compressor relay power in order to prevent evaporator from freezing by excessive cooling. The evaporator temperature sensor has the Negative Temperature Coefficient (NTC).

    Hyundai Elantra (CN7) 2021-2026 Service Manual: Photo Sensor

    Description and operation Description 1.The photo sensor is located at the center of the defrost nozzles.2.The photo sensor contains a photovoltaic (sensitive to sunlight) diode. The solar radiation received by its light receiving portion, generates an electromotive force in proportion to the amount of radiation received which is transferred to

    Categories

     
    Copyright © 2026 www.helantra7.com - 0.0204