Hyundai Elantra (CN7): Rear Corner Radar System / Rear Corner Radar Unit
Specifications
Items
|
Blind-Spot Collision Warning (BCW)
|
Blind-Spot Collision- Avoidance Assist-Rear (BCA-R)
|
Rated voltage
| DC 12V
|
Operating voltage
| 9V - 16V
|
Operating speed
| 30 km/h - 255 km/h
| 60 km/h - 180 km/h
|
Sensible distance
| 70m
|
Curvature radius
| Start : More than 100m
| Start : More than 625m
|
Stop : Less than 70m
| Stop : Less than 588m
|
Frequency
| 24 GHz
|
Numbers
| 2EA
|
Items
|
Rear Cross-Traffic Collision Warning (RCCW)
|
Rear Cross-Traffic Collision- Avoidance Assist (RCCA)
|
Rated voltage
| DC 12V
|
Operating voltage
| 9V - 16V
|
Operating speed
| 0 km/h - 10 km/h
| 1 km/h - 10 km/h
|
Sensible distance
| 25m
|
Curvature radius
| -
|
Frequency
| 24 GHz
|
Numbers
| 2EA
|
Items
|
Safe Exit Assist (SEA)
|
Rated voltage
| DC 12V
|
Operating voltage
| 9V - 16V
|
Operating speed
| 0 km/h - 3 km/h
|
Sensible distance
| 25m
|
Curvature radius
| -
|
Frequency
| 24GHz
|
Numbers
| 2EA
|
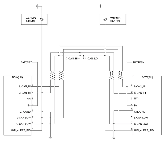
Schematic diagrams
| Connector and Terminal Function |

Pin
|
Function
|
1
| L-CAN High
|
2
| C-CAN High
|
3
| -
|
4
| Battery (+)
|
5
| Ground
|
6
| L-CAN Low
|
7
| C-CAN Low
|
8
| Warning indicator
|

Repair procedures
lf replacement of the rear corner radar unit bracket or extension wire is required, replace the defective part only with a new one. |
| 1. | Disconnect the negative (-) battery terminal. |
| 2. | Remove the rear bumper assembly. (Refer to Body - "Rear Bumper Assembly") |
| 3. | Disconnect the rear corner radar unit connector (A). 
|
| 4. | Loosen the mounting screws and remove the rear corner radar lower bracket (A). 
|
| 5. | Loosen the mounting screws and remove the rear corner radar unit (A). | •
| Be careful not to damage the bracket when removing the rear corner radar unit. 
|
|
|
| 1. | Install the blind spot radar unit and bracket. Tightening torque : bracket : 3.9 - 5.9 N unit : 3.92 ± 0.105 N.m |
|
| 2. | Install the rear bumper. |
| 3. | Connect the negative (-) battery terminal. | •
| Take care not to confuse left side (master) and right side (slave) unit when installing. |
| •
| BCW units connector connect to the wiring connector. |
|
|
| 4. | Perform "Correcting the Blind-Spot Radar Unit Angle" procedures. |
| 5. | Perform "BSD Radar Calibration" procedures. |
Correcting the Blind-Spot Radar Unit Angle
| 1. | After replacing the blind-spot radar unit or bracket, with the bumper removed, use the blind-spot radar unit correction tool set (special tool : 09985-3T500) to perform angle correction. | •
| Perform the task on a level place. |
| •
| Perform the task after checking the tire pressure. |
|
| •
| For the dealer who purchased the existing blind-spot radar correction tool set (09958-3T000), refer to the instructions of the 17MY shop manual and repair it. |
|
|
| 2. | Attach a vertical plumb (special tool : 09958-3T010) on the hood, and lower the plumb (A) to the ground so that it passes through the center of the emblem. 
|
| 3. | Marking the center point below the plumb (A). 
|
| 4. | Attach a vertical plumb (special tool : 09958-3T010) on the trunk (or tailgate), and lower the plumb (A) to the ground so that it passes through the center of the emblem. 
|
| 5. | Marking the center point below the plumb (A). 
|
| 6. | Marking the center of vehicle by a string. | 1) | Pass the string through the bottom of the vehicle from the rear of the vehicle to the front and fix the string to the center point (A) of the front of the vehicle. |
| 2) | Fix the string to the point (C) about 1.5 - 2m from the back of the vehicle so that it passes the rear center point (B). |

|
| 7. | Mount the blind-spot radar unit fixing adaptor (special tool : 09958-3T080) on the blind-spot radar unit and fix the level laser (special tool : 09958-3T070). 
| •
| When with the blind-spot radar unit cover, remove the cover and then mount the fixing adapter (special tool: 09958-3T080). |
|
|
| 8. | Measure the angle (C) between the center line (A) of the angle measuring plate and the horizontal laser beam (B) using a digital protractor (special tool : 09958-3T090). Horizontal Angle (C): 44° ± 3° |

|
| 9. | Use a digital inclinometer (special tool : 09958-3T100) to measure the vertical angle of the blind-spot radar unit. Vertical Angle : 90° ± 1.5° |

| •
| Digital Inclinometer (09958-3T100) Vertical measurement angle (A) : 90° ± 1.5° |

|
|
| 10. | Measure the horizontal and vertical angles of left and right blind-spot radar units. If the measured values deviate from the specified values, insert a washer between the bracket of the blind-spot radar unit. Specified Values Horizontal Angle : 44° ± 3° Vertical Angle : 90° ± 1.5° |

|
| 11. | After checking and correcting the blind-spot radar unit angle, perform the blind-spot radar radar correction procedure. |
Diagnosis with Diagnostic tool
| 1. | Rear bumper accident vehicles and vehicles that replaced BCW units must perform BCW unit alignment using Diagnostic tool. |
| 2. | Connect the cable of Diagnostic tool to the data link connector in driver side crash pad lower panel, and turn on the Diagnostic tool. |
| 3. | Select the 'S/W Management' and 'Car model'. 
|
| 4. | Select "Blind -Spot Collision Warning" and "BSD Radar Calibration". 
|
| 5. | Perform the "BSD Radar Calibration" procedure according to the Diagnostic tool screen message. 
|
Components1. Rear corner radar unit2. Speaker3. Warning indicator
Components and components location
Components1. BSD Indicator2. Side repeater lamp
Repair procedures
Inspection1.Disconnect the negative (-) battery terminal.
Other information:
Description and operation
DescriptionThe auto defogging sensor is installed on front window glass. The sensor judges and sends signal if moisture occurs to blow out wind for defogging. The air conditioner control module receives a signal from the sensor and restrains moisture and eliminates defog by the intake actuator, A/C, auto defogging actua
Description and OperationBlcok Diagram
•
This system monitors the driving situations through the radar and the camera. Thus, for a situation out of the sensing range, the system may not normally operate. The System may be limited when : •
The radar sensor or camer