| Schematic Diagram |

SpecificationsPurge Control Solenoid Valve (PCSV)▷ Specification Item Specification Coil Resistance (Ω)22.
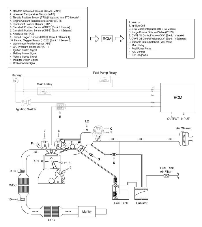
Schematic diagrams Schematic Diagram1. Air cleaner2. Delivery pipe & injector3. Engine4. Purge control solenoid valve (PCSV)5. Fuel tank air filter6.
Repair procedures RemovalMood lamp unit1.Disconnect the negative (-) battery terminal.2.Remove the main crash pad assembly.(Refer to Body - "Main Crash Pad Assembly")3.Loosen the mounting screws and remove the main crash pad air duct (A).4.Loosen the mounting screws and remove the mood lamp unit (A).
TroubleshootingDiagnosis with Diagnostic tool1.In the body electrical system, failure can be quickly diagnosed by using the vehicle diagnostic system (Diagnostic tool).The diagnostic system (Diagnostic tool) provides the following information.1)Fault Code Searching : Checking failure and code number (DTC)2)Data Analysis : Checking the system input/