Hyundai Elantra (CN7): Keyless Entry And Burglar Alarm / Repair procedures

Inspection
   
•
Wrap the protective tape on the tool to disassemble with the screwdriver or remover.
•
Use caution in keeping and handling during disassembling/assembling because it is easily contaminated with lubricant and oil.
Front Door Lock Module Inspection
1.
Remove the front door trim.
(Refer to Body - "Front Door Trim")
2.
Remove the front door module.
(Refer to Body - "Front Door Module")
3.
Disconnect the connector from the actuator.

No
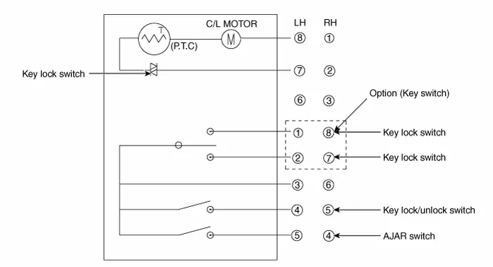
Pin Information
LH
RH
1
Key Lock switch
CL motor
2
Key Unlock switch
COM motor
3
COM
-
4
Lock / Unlock switch
AJAR switch
5
AJAR switch
Lock / Unlock switch
6
-
COM
7
COM motor
Key Unlock switch
8
CL motor
Key Lock switch

4.
Check actuator operation by connecting power and ground according to the table. To prevent damage to the actuator, apply battery voltage only momentarily.

Rear Door Lock Module Inspection
1.
Remove the rear door trim.
(Refer to Body - "Rear Door Trim")
2.
Remove the rear door module.
(Refer to Body - "Rear Door Module")
3.
Disconnect the connectors from the actuator.

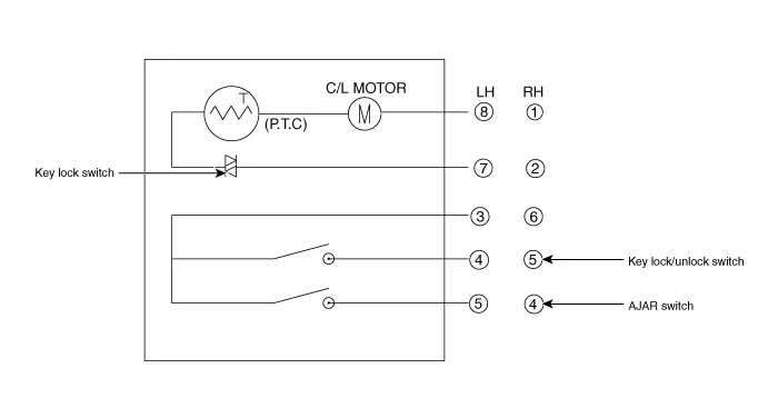
No
Pin information
LH
RH
1
-
CL motor
2
-
COM motor
3
COM
-
4
Lock / Unlock switch
AJAR switch
5
AJAR switch
Lock / Unlock switch
6
-
COM
7
COM motor
-
8
CL motor
-

4.
Check actuator operation by connecting power and ground according to the table. To prevent damage to the actuator, apply battery voltage only momentarily.

Tailgate Lock Module Inspection
1.
Remove the trunk lid trim.
(Refer to Body - "Trunk Lid Trim")
2.
Disconnect the connector from the actuator

3.
Check actuator operation by connecting power and ground according to the table. To prevent damage to the actuator, apply battery voltage only momentarily.

4.
Checking the trunk of the vehicle power option power refers to the trunk module.
Hood Switch
1.
Disconnect the connector (A).

2.
Check for continuity between the terminals and ground according to the table
(Refer to Body - "Hood Latch")

    Specification Item Specification Power source3VOperating temperature-10°C ~ +60°CRF ModulationFSKLF ModulationASKRF frequency433.

    Other information:

    Hyundai Elantra (CN7) 2021-2026 Service Manual: Auto Defogging Sensor

    Description DescriptionThe auto defogging sensor is installed on the front window glass. The sensor judges and sends signal if moisture occurs to blow out wind for defogging. The air conditioner control module receives signal from the sensor and restrains moisture and eliminate defog by controlling the intake actuator, A/C, auto defogging actuat

    Hyundai Elantra (CN7) 2021-2026 Service Manual: Description and operation

    Description and OperationBlcok Diagram    â€¢ This system monitors the driving situations through the radar and the camera. Thus, for a situation out of the sensing range, the system may not normally operate. The System may be limited when : • The radar sensor or camer

    Categories

     
    Copyright © 2026 www.helantra7.com - 0.018